Table de soudage PROFIPlusLINE

L’excellence en modularité et robustesse

Découvrez la gamme PlusLine, une solution haut de gamme conçue pour répondre aux exigences les plus strictes en matière de soudage et d’usinage. Disponible en D28-22-16 et dans des dimensions allant de 1000 x 1000 mm à 4800 x 2400 mm, chaque modèle est adapté à vos besoins spécifiques, qu’il s’agisse de projets de petite ou de grande envergure.

Un système de perçage optimisé pour une flexibilité maximale

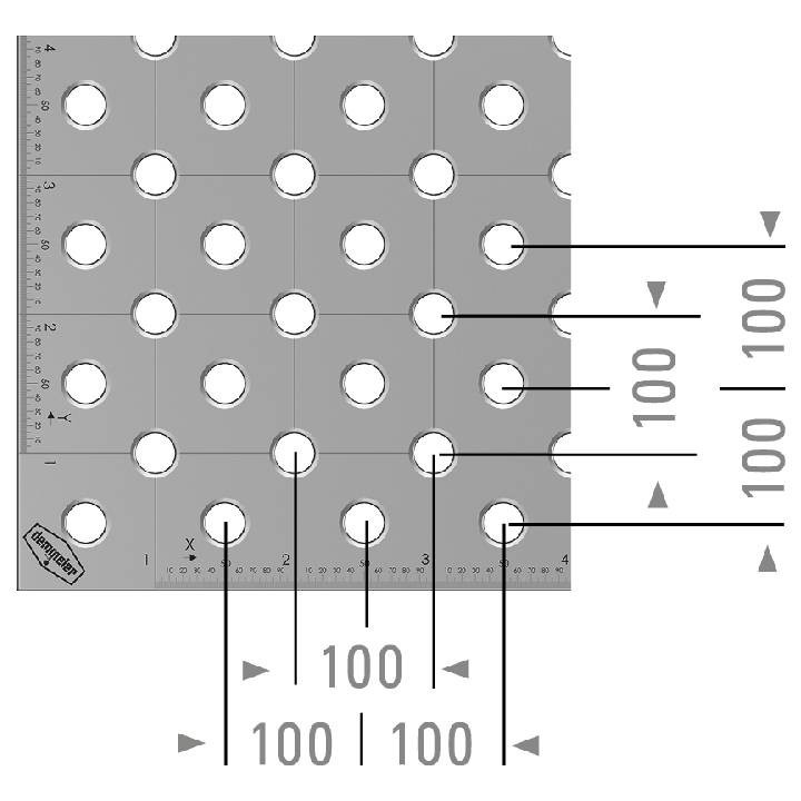
Le plan de travail PlusLine intègre un système D28 avec une double grille de perçage de 100 mm x 100 mm, offrant :

  • 80 % d’options de serrage supplémentaires par rapport aux tables PROFIEcoLINE et conventionnelles.
  • Des trous latéraux avec un motif de perçage à 3 trous et une grille de 50 mm sur les rangées supérieure et inférieure, complétée par une grille de 100 mm au centre, doublant presque vos possibilités d’expansion et de serrage,

Une conception robuste et fonctionnelle

La PlusLine se distingue par :

Des trous systématiques avec fraisage de protection :

Un design parfait alliant esthétique et fonctionnalité.

Des bords de table optimisés pour une sécurité et une accessibilité accrue.

Un renforcement amélioré grâce à des nervures transversales supplémentaires.

Des lignes de grille continues dans les directions X et Y, espacées de 100 mm, pour un alignement précis.

Un marquage de coordonnées des trous dans les directions X et Y, ainsi qu’une graduation millimétrique pour une précision optimale.

Un logo DEMMELER intégré dans les 4 plaques latérales, symbole de qualité et de professionnalisme.

Des matériaux adaptés à vos besoins

Pour une résistance et une durabilité exceptionnelle, la PlusLine est disponible en :

  • Dureté DemontXBlack 760 et DemontXBlack 890 pour une résistance accrue à l’usure.
  • Dimensions spéciales et motifs de perçage sur mesure (ex. : M16, M20, M24) disponibles sur demande.

Pourquoi choisir la PlusLine ?

Modularité : Une gamme de dimensions adaptées à tous vos projets.

Précision : Un système de perçage et de serrage optimisé pour un travail sans compromis.

Robustesse : Des matériaux et une conception renforcée pour une durabilité maximale.

Optez pour la PlusLine et donnez à vos projets la précision et la robustesse qu’ils méritent !

Détails du produit
  • Marque
  • Référence
    pl-28-22-16
Fiche technique
  • Longueur (en mm)
    1000
  • Largeur (en mm)
    1000
  • Hauteur (en mm)
    850 ±30
  • Poids (en kg)
    344
  • Pied de table
    standard
  • Dureté
    standard